真空快速旁路开关(以下简称旁路开关)主要应用于柔性输配电系统,用来保护电力电子器件。旁路开关主电路与电力电子器件并联连接,正常工作时,旁路开关主电路为常开,当电力电子器件出现故障时,旁路开关线圈加电,旁路开关主触头快速闭合,使系统依然正常运行。
从2012年到现在,我公司已经研发出了1.14kV系列,3.6kV系列以及7.2kV系列三个电压等级的旁路开关;其中1.14kV系列旁路开关有100A、200A、300A、400A四个电流等级;3.6kV系列真空旁路开关有320A、630A、1250A、1600A、2500A 5个电流等级。
旁路开关的主要特点是合闸速度快,一般小于5ms,特殊规格的可以达到小于3.5ms,并且无弹跳。目前旁路开关已经成为输配电系统中关键的元器件。
CKJP-1250/3.6真空快速旁路开关技术参数
|
参数项目 |
单位 |
数 值 |
|||
|
CKJP-630/3.6 |
CKJP-1250/3.6 |
CKJP-1600/3.6 |
|||
|
额定电压 |
kV |
3.6 |
|||
|
额定电流RMS |
A |
360 |
1250 |
1600 |
|
|
线圈电压 |
V |
DC (200~400) |
|||
|
触头开距 |
mm |
2±0.5 |
|||
|
触头超程 |
mm |
1.5±0.3 |
|||
|
闭合后电阻 |
uΩ |
≤90 |
≤50 |
≤30 |
|
|
动作时间 |
ms |
<3.5(无弹跳) |
|||
|
反馈触点动作时间(含弹跳时间) |
ms |
≤7 |
|||
|
动作频率 |
次/天 |
<1 |
|||
|
断开时工频耐受电压 |
kV |
AC 10 |
|||
|
额定短时耐受电流(2s) |
kA |
5 |
10 |
12.8 |
|
|
短路接通电流能力(0.1s) |
kA |
6.3 |
12.5 |
16 |
|
|
电寿命 |
次 |
100 |
|||
|
机械寿命 |
次 |
1000 |
|||
|
外形尺寸(长×宽×高) |
mm |
360×116×168 |
|||
|
安装尺寸 |
mm |
102×90 4×M8深12 |
|||
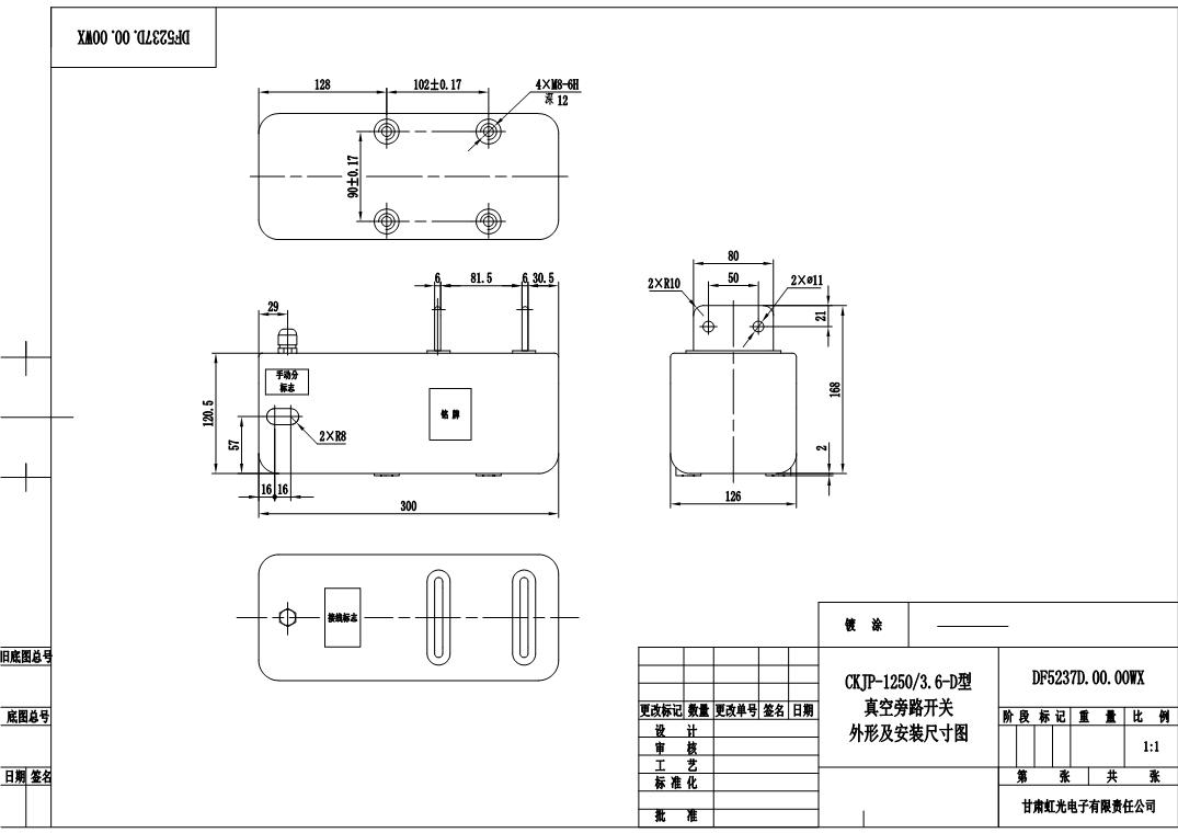
CKJP-1250/3.6真空快速旁路开关外形及安装尺寸图