真空交流接触器广泛适用于,煤矿、电力、冶金、化工、纺织、建筑路灯、等行业或部门。它在馈电网络中,主要是供远距离接通和分断电路,以及频繁起动和停止交流电动机之用。特别适宜与各种保护装置配合组装成隔爆型电磁起动器。其特点是熄孤能力强,耐压性能好,操作频率较高,寿命长,无电弧外喷,体积小、重量轻、维修量少等。
CKJP-125/0.22型低压真空接触器技术参数
|
主回路额定电压 |
kV |
1.14 |
|
主回路额定电流 |
A |
125 |
|
主回路接通能力 |
A/100次 |
1250 |
|
主回路通断能力 |
A/25次 |
1000 |
|
极限分断能力 |
A/3次 |
2000 |
|
电寿命AC-5a |
次 |
≥6×104 |
|
机械寿命 |
次 |
≥3×105 |
|
操作频率AC-1 |
次/h |
600 |
|
额定操作频率AC-5a |
次/h |
300 |
|
触头开距 |
mm |
1.5~2 |
|
触头超程 |
mm |
1±0.2 |
|
短时操作频率 (20秒) |
次/h |
2000 |
|
工频耐压 |
kV |
4.2 |
|
重量 |
kg |
1.5 |
|
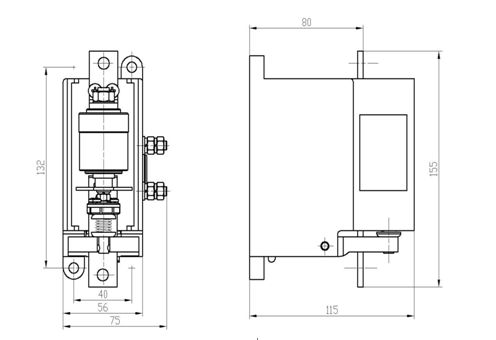
外形尺寸(长x宽x高) |
mm |
155×75×115 |
|
安装尺寸(长×宽) |
mm |
132×40 |
CKJP-125/0.22型低压真空接触器外形及安装尺寸图
