真空开关管(又称真空灭弧室),按用途可分为接触器用真空开关管和断路器用真空开关管。它将动、静电极以一定的工艺手段密封在真空绝缘外壳之内,由于在开断过程中,动、静电极处于真空环境,因而具有开断电流大、电弧不外漏、安全可靠、寿命长、无污染等优点。以真空开关管为核心器件的真空接触器和断路器,广泛用于电力、冶金、矿山、石化、铁路等环境恶劣、安全要求较高的场所。我公司是国内最早生产真空开关管的专业厂家,目前拥有的产品:额定电压1.14kV~ 27.5kV,额定电流125A~1250A,短路开断电流4.5kA~31.5kA。产品具有系列化、小型化、标准化、多样化等特点,特别是其可靠的质量深受用户的欢迎。
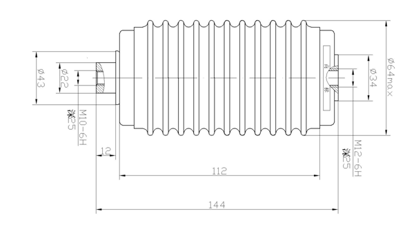
ZKTJ-630(400)/12型真空开关管外形图
|
参数项目 |
单位 |
数值 |
|
额定电压 |
kV |
12 |
|
额定电流 |
A |
630(400) |
|
额定频率 |
Hz |
50 |
|
额定短时工频耐受电压 |
kV |
42 |
|
额定短路开断电流 |
kA |
6.3 |
|
额定短路关合电流 |
kA |
4 |
|
机械寿命 |
次 |
1×106 |
|
触头自闭力 |
N |
80±25 |
|
额定开距下的反力 |
N |
110±25 |
|
额定触头压力下限时的回路电阻 |
μΩ |
≤80 |
|
真空灭弧室内部气体压力 |
Pa |
<1.33×10-3 |
|
真空灭弧室质量 |
kg |
<3.5 |
|
允许储存期 |
年 |
20 |
产品配套的真空开关管设备的机械特性和机械参数:
|
参数项目 |
单位 |
数值 |
|
触头开距 |
mm |
6±1 |
|
平均分闸速度 |
m/s |
0.5±0.2 |
|
平均合闸速度 |
m/s |
0.3±0.1 |
|
触头合闸弹跳时间 |
ms |
<3 |
|
额定触头压力 |
N |
100±10 |
|
三相同期性 |
ms |
<1 |
ZKTJ-630(400)/12型真空开关管外形图
